二極管作為一種基礎且核心的電子元器件,在各類電路設計中發揮著不可或缺的作用。盡管許多工程師對二極管有所了解,但在實際應用中,仍需深入探究其特性與功能,以應對復雜多變的電路問題。本文將深入剖析二極管在電路中的八大關鍵作用,并結合實際應用場景,闡述其工作原理與設計要點。
一、防反作用:守護電路安全的首道防線
在主回路中,通過串聯一個二極管,巧妙地利用其單向導電特性,能夠以極低的成本實現可靠的防反接功能。這一方案尤其適用于小電流應用場景,如兒童玩具等便攜式電子設備。然而,值得注意的是,二極管導通時存在約 0.7V(硅管)的導通壓降。當實際電流較大時,這一壓降會導致熱損耗,進而引發發熱問題,影響電路穩定性。此外,若反接電壓超過二極管的反向截止電壓,二極管可能被擊穿,失去防反接功能,無法有效保護后級電路。因此,在高電流或高反接電壓場景中,需謹慎評估二極管的適用性,或采用其他防護措施以確保電路安全。


二、整流作用:交流到直流的關鍵轉化
整流電路的主要功能是將交流降壓電路輸出的低電壓交流電轉換為單向脈動性直流電,這一過程被稱為交流電的整流。整流電路的核心元件即為整流二極管。經過整流電路處理后的電壓,不再是純粹的交流電壓,而是一種混合電壓,其中既包含直流電壓,也含有一定量的交流電壓成分。這種單向脈動性直流電壓在許多電子設備中具有廣泛應用,如直流電源適配器等。為了獲得更平滑的直流輸出,通常會在整流電路后級添加濾波電路,以進一步降低電壓紋波,提高電源質量。


三、穩壓作用:維持電壓穩定的中流砥柱
穩壓二極管,亦稱齊納二極管(Zener diode),是一種能夠實現穩壓功能的特殊二極管。其工作原理基于 PN 結的反向擊穿特性。在反向擊穿狀態下,盡管流經穩壓二極管的電流可在較大范圍內變化,但其兩端電壓卻能保持基本恒定。這一特性使得穩壓二極管在穩壓電源、電壓基準源等電路中大放異彩。例如,在實驗室使用的高精度穩壓電源中,穩壓二極管與其他元件協同工作,為電子設備提供穩定的直流電壓,確保實驗數據的準確性與可靠性。


四、續流作用:保護感性負載的得力助手
在含有感性元器件(如線圈、電機等)的電路中,續流二極管發揮著至關重要的作用。感性元器件在通電時,其兩端會產生感應電動勢。當電流切斷時,這一感應電動勢會反向作用于電路,可能引發高反向電壓,對電路中的其他元件(如三極管)造成損壞。續流二極管通過并聯在線圈兩端,為感應電動勢提供了一個釋放路徑。當電流消失時,線圈產生的感應電動勢通過續流二極管和線圈構成的回路消耗掉,從而有效保護了電路中的其他元件免受損害。

此外,在 BUCK 芯片電路中,續流二極管同樣發揮著關鍵作用,確保電路的穩定運行。


此外,在 BUCK 芯片電路中,續流二極管同樣發揮著關鍵作用,確保電路的穩定運行。

五、檢波作用:精準提取信號峰值的利器
峰值檢波電路主要用于檢測輸入信號幅值的最大值。其工作原理是:當輸入電壓幅度超過二極管的正向電壓時,二極管導通,輸出電壓對電容 C1 充電,直至電容兩端電壓與輸入電壓幅值相等。當輸入電壓幅值低于先前值時,二極管處于反偏截止狀態,電容兩端電壓基本保持不變。若后續輸入信號的幅度高于電容兩端電壓(即二極管的正向電壓),二極管再次導通,電容更新存儲的電壓值。峰值檢波電路在信號處理領域具有廣泛應用,如通信系統中的信號幅度檢測、音頻設備中的峰值指示等,能夠幫助工程師實時監測信號的峰值變化,確保信號處理的準確性和可靠性。


六、倍壓作用:巧妙提升電壓的電路技巧
倍壓電路是一種能夠利用二極管和電容的特性,將電源電壓倍增的電路。以常見的二倍壓電路為例,其工作過程如下:在電源負半周時,二極管 D1 導通,D2 截止,電流從電源下端流出,經過 D1 對電容 C1 充電,使 C1 右側為正,左側為負(如圖中紅色箭頭所示)。

在電源正半周時,電容 C1 上的電壓與電源電壓疊加,使二極管 D2 導通,D1 截止,電容 C2 開始充電,其上側為正,下側為負。此時,C2 兩端的峰值電壓可達到電源峰值電壓的兩倍,從而實現二倍壓功能。倍壓電路在一些需要較高電壓但又不便于直接使用高電壓電源的場合具有重要應用,如電子點火裝置、靜電發生器等,能夠在有限的空間和電源條件下,提供所需的高電壓輸出。

在電源正半周時,電容 C1 上的電壓與電源電壓疊加,使二極管 D2 導通,D1 截止,電容 C2 開始充電,其上側為正,下側為負。此時,C2 兩端的峰值電壓可達到電源峰值電壓的兩倍,從而實現二倍壓功能。倍壓電路在一些需要較高電壓但又不便于直接使用高電壓電源的場合具有重要應用,如電子點火裝置、靜電發生器等,能夠在有限的空間和電源條件下,提供所需的高電壓輸出。
七、ADC 檢測口電壓鉗位作用:保障信號采集精度的防護盾
在一些 ADC(模數轉換器)檢測電路中,常采用兩個二極管進行鉗位保護。其原理基于二極管的導通壓降特性。當輸入電壓 Vin 大于等于 3.3V + 0.7V(假設二極管 D1 和 D2 的導通壓降均為 0.7V)時,二極管 D35 導通,將輸出電壓 Vout 鉗位在 4V 左右;當 Vin 小于等于 -0.7V 時,Vout 被鉗位在 -0.7V 左右。

這種鉗位保護措施能夠有效防止輸入信號超出 ADC 的工作電壓范圍,避免 ADC 被損壞,同時確保信號采集的精度。在數據采集系統、傳感器信號處理等應用中,電壓鉗位電路是保障數據準確性和設備可靠性的關鍵環節。

這種鉗位保護措施能夠有效防止輸入信號超出 ADC 的工作電壓范圍,避免 ADC 被損壞,同時確保信號采集的精度。在數據采集系統、傳感器信號處理等應用中,電壓鉗位電路是保障數據準確性和設備可靠性的關鍵環節。
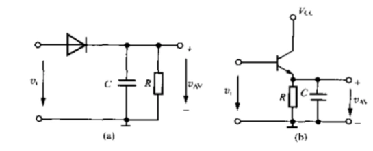
八、包絡線檢測作用:精準還原信號包絡的檢測手段
包絡線檢測電路的結構相對簡單,但其設計要點在于合理選擇 RC 時間常數。具體要求為,RC 時間常數需遠大于載頻的周期,同時又要遠小于調制信號的周期。

只有滿足這一條件,才能確保電路能夠準確地跟蹤輸入信號的包絡變化,實現對調制信號的有效檢測。包絡線檢測在通信領域具有廣泛應用,如 AM(調幅)廣播接收機、無線通信信號解調等。通過包絡線檢測,能夠從高頻調制信號中提取出原始基帶信號,實現信息的準確傳輸與接收。
〈烜芯微/XXW〉專業制造二極管,三極管,MOS管,橋堆等,20年,工廠直銷省20%,上萬家電路電器生產企業選用,專業的工程師幫您穩定好每一批產品,如果您有遇到什么需要幫助解決的,可以直接聯系下方的聯系號碼或加QQ/微信,由我們的銷售經理給您精準的報價以及產品介紹

只有滿足這一條件,才能確保電路能夠準確地跟蹤輸入信號的包絡變化,實現對調制信號的有效檢測。包絡線檢測在通信領域具有廣泛應用,如 AM(調幅)廣播接收機、無線通信信號解調等。通過包絡線檢測,能夠從高頻調制信號中提取出原始基帶信號,實現信息的準確傳輸與接收。
〈烜芯微/XXW〉專業制造二極管,三極管,MOS管,橋堆等,20年,工廠直銷省20%,上萬家電路電器生產企業選用,專業的工程師幫您穩定好每一批產品,如果您有遇到什么需要幫助解決的,可以直接聯系下方的聯系號碼或加QQ/微信,由我們的銷售經理給您精準的報價以及產品介紹
聯系號碼:18923864027(同微信)
QQ:709211280

