通常,開關 Q1 導通電感儲能,電容 C 供電,在開關 M1 關閉后,產生左負右正電動勢使二極管導通并供電。
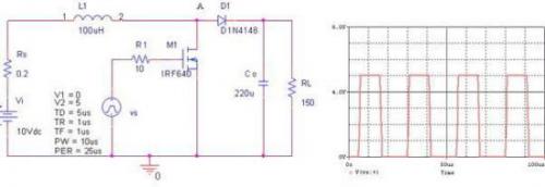
Boost 變換一般也叫升壓變換,電感 L 儲能,通過 M1 的導通與關斷,實現升壓目的。


boost 升壓電路
AA 電壓低,反激升壓電路制約功率和效率的瓶頸在開關管,整流管,及其他損耗(含電感上).
1. 電感不能用磁體太小的(無法存應有的能量),線徑太細的(脈沖電流大,會有線損大).
2 整流管大都用肖特基,大家一樣,無特色,在輸出 3.3V 時,整流損耗約百分之十 .
3 開關管,關鍵在這兒了,放大量要足夠進飽和,導通壓降一定要小,是成功的關鍵 . 總共才一伏,管子上耗多了就沒電出來了,因此管壓降應選最大電流時不超過 0.2--0.3V,單只做不到就多只并聯 .......
4 最大電流有多大呢?我們簡單點就算 1A 吧,其實是不止的 . 由于效率低會超過 1.5A,這是平均值,半周供電時為 3A,實際電流波形為 0 至 6A. 所以咱建議要用兩只號稱 5A 實際 3A 的管子并起來才能勉強對付 .
5 現成的芯片都沒有集成上述那么大電流的管子,所以咱建議用土電路就夠對付洋電路了 .
開關管導通時,電源經由電感 - 開關管形成回路,電流在電感中轉化為磁能貯存;開關管關斷時,電感中的磁能轉化為電能在電感端左負右正,此電壓疊加在電源正端,經由二極管 - 負載形成回路,完成升壓功能。既然如此,提高轉換效率就要從三個方面著手:
1. 盡可能降低開關管導通時回路的阻抗,使電能盡可能多的轉化為磁能;
2. 盡可能降低負載回路的阻抗,使磁能盡可能多的轉化為電能,同時回路的損耗最低;
3. 要盡可能降低能耗,因為對于電路的轉換是沒有意義的,不能供能。
烜芯微專業制造二極管,三極管,MOS管,橋堆等20年,工廠直銷省20%,4000家電路電器生產企業選用,專業的工程師幫您穩定好每一批產品,如果您有遇到什么需要幫助解決的,可以點擊右邊的工程師,或者點擊銷售經理給您精準的報價以及產品介紹
烜芯微專業制造二極管,三極管,MOS管,橋堆等20年,工廠直銷省20%,4000家電路電器生產企業選用,專業的工程師幫您穩定好每一批產品,如果您有遇到什么需要幫助解決的,可以點擊右邊的工程師,或者點擊銷售經理給您精準的報價以及產品介紹

