為了更好的理解,可以通俗的講:通過電場效應原理工作的管子就叫做場效應管。說得再仔細一點,就是利用輸入回路的電場效應 控制 輸出回路的 一種半導體器件就叫做場效應管。
場效應管可以分為 結型 和 柵型 兩種結構,接下來聊一下這兩個東東。
結型場效應管又分為N溝道和P溝道,所謂的N溝道結型場效應管,實質就是在N結(N型半導體)上面做了兩個P區域。如圖中間的N區就像一個溝渠,兩側的P區域好像河流的兩岸。


這就是N溝道結型場效應管(方便記憶)。很顯然,那么P溝道j結型場效應管就是在P型半導體兩側做了倆N區域。
以N溝道結型場效應管為例,引出的電極如上圖已標注,看圖更容易理解一些。
如果此刻在柵-源之間加上一個負向電壓,會出現一個現象如圖


為什么會變成這個樣子,其實在閱讀過之前的文章的學友應該很清楚,為了防止過去的遺忘我們再來重新說一下PN結的那些事,進而來更好的理解當前的問題。
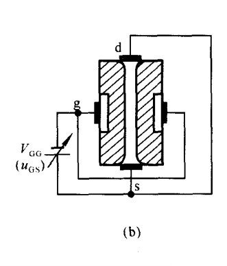
如果只是局部的關注柵(g)源(s)之間以及和構成的回路就可以認為是在一個PN結的兩端加了一個電源 。如下圖所示


柵極也就是P區,P型半導體的形成是在本征半導體鐘添加了三價元素,而硅元素是四價元素,從而導致,一個“雜質”原子相比硅原子少一個核外電子。因而宏觀上面,P型半導體是很缺少自由電子的,也就是空穴是他的多數載流子
源極也就是N區,同樣的是在本征半導體種參入了五價元素,從而導致,N型半導體從宏觀上他的多數載流子是自由電子(同理了,所以不再啰嗦)。
現在是個負電壓。什么意思呢,也就是電流方向是從S(源極)指向g(柵極)的。換句話說也就是從微觀上講自由電子的運動方向是從g流向S的(電流方向和電子運動方向是相反的)。
那么問題來了g(柵極)的少數載流子是電子,明明很缺少自由電子,還要將自由電子流向S(源極)。源極的多數載流子是自由電子。這和擴散運動恰恰是相反的(濃度高的流向濃度低的區域)。從而導致在PN結之間(柵源之間)形成了一道厚厚的耗盡層如上圖紅藍方框。你會發現,耗盡層中是沒有小白點和小黑點的。所謂耗盡層s就是正負電子中和了,不存在任何電位差的這么一塊區域。電子如果想要移動必須是需要一定的電位差或者說濃度差的(說的不夠準確,明白意思即可)。很顯然耗盡層是阻礙電流的,即高電阻區域。
講了這么多,也就明白了,在N溝道結型半導體的柵源,加上負電壓,進而改變電壓絕對值,是可以控制輸入電阻的大小的。 如下圖:
烜芯微專業制造二極管,三極管,MOS管,橋堆等20年,工廠直銷省20%,4000家電路電器生產企業選用,專業的工程師幫您穩定好每一批產品,如果您有遇到什么需要幫助解決的,可以點擊右邊的工程師,或者點擊銷售經理給您精準的報價以及產品介紹
烜芯微專業制造二極管,三極管,MOS管,橋堆等20年,工廠直銷省20%,4000家電路電器生產企業選用,專業的工程師幫您穩定好每一批產品,如果您有遇到什么需要幫助解決的,可以點擊右邊的工程師,或者點擊銷售經理給您精準的報價以及產品介紹

