MOSFET柵極,驅動電路,PNP
MOSFET柵極由金屬細絲組成的篩網狀或螺旋狀電極。多極電子管中排列在陽極和陰極之間的一個或多個具有細絲網或螺旋線形狀的電極,起控制陰極表面電場強度從而改變陰極發射電子或捕獲二次放射電子的作用。
場效應管根據三極管的原理開發出的新一代放大元件,有3個極性,柵極,漏極,源極,它的特點是柵極的內阻極高,采用二氧化硅材料的可以達到幾百兆歐,屬于電壓控制型器件。場效應晶體管(FieldEffectTransistor縮寫(FET))簡稱場效應管。由多數載流子參與導電,也稱為單極型晶體管。它屬于電壓控制型半導體器件。
MOSFET柵極電路常見的作用有以下幾點。
1:去除電路耦合進去的噪音,提高系統的可靠性。
2:加速MOSFET的導通,降低導通損耗。
3:加速MOSFET的關斷,降低關斷損耗。
4:降低MOSFET DI/DT,保護MOSFET同時抑制EMI干擾。
5:保護柵極,防止異常高壓條件下柵極擊穿。
6:增加驅動能力,在較小的信號下,可以驅動MOSFET。
(一)直接驅動
首先說一下電源IC直接驅動,下圖是我們最常用的直接驅動方式,在這類方式中,我們由于驅動電路未做過多處理,因此我們進行PCB LAYOUT時要盡量進行優化。如縮短IC至MOSFET的柵極走線長度,增加走線寬度,盡量將Rg放置在離MOSFET柵極較進的位置,從而達到減少寄生電感,消除噪音的目的.

(二)IC內部驅動能力不足時
當然,對于IC內部驅動能力不足的問題我們也可以采用下面的方法來解決。

這種增加驅動能力的方式不僅增加了導通時間,還可以加速關斷時間,同時對控制毛刺及功率損耗由一定的效果。當然這個我們在LAYOUT時要盡量將這兩個管子放的離MOSFET柵極較近的位置。這樣做的好處還有減少了寄生電感,提高了電路的抗干擾性。
(三)增加MOSFET的關斷速度
如果我們單單要增加MOSFET的關斷速度,那么我們可以采用下面的方式來進行。

關斷電流比較大時,能使MOSFET輸入電容放電速度更快,從而降低關斷損耗。大的放電電流可以通過選擇低輸出阻抗的MOSFET或N溝道的負的截止的電壓器件來實現,最常用的就是加加速二極管。
MOSFET柵極關斷時,電流在電阻上產生的壓降大于二極管導通壓降時,這時二極管會導通,從而將電阻進行旁路,導通后,隨著電流的減小,二極管在電路中的作用越來越小,該電路作用會顯著的減小MOSFET關斷的延遲時間。
(四)PNP加速關斷驅動電路

PNP加速關斷電路是目前應用最多的電路,在加速三級管的作用下可以實現瞬間的柵源短路,從而達到最短的放電時間,之所以加二極管一方面是保護三級管基極,另一方面是為導通電流提供回路及偏置,該電路的優點為可以近似達到推拉的效果加速效果明顯,缺點為柵極由于經過兩個PN節,不能是柵極真正的達到0伏。
(五)當源極輸出為高電壓時的驅動
當源極輸出為高電壓的情況時,我們需要采用偏置電路達到電路工作的目的,既我們以源極為參考點,搭建偏置電路,驅動電壓在兩個電壓之間波動,驅動電壓偏差由低電壓提供,如下圖所示。

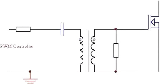
(六)滿足隔離要求的驅動
為了滿足安全隔離的要求或者提供高端浮動柵極驅動經常會采用變壓器驅動。這種驅動將驅動控制和MOSFET進行了隔離,可以應用到低壓及高壓電路中去,如下圖所示

變壓器驅動說白了就是隔離驅動,當然現在也有專門的驅動IC可以解決,但變壓器驅動有自己的特點使得很多人一直在堅持用。
圖中耦合電容的作用是為磁化的磁芯提供復位電壓,如果沒有這個電容,會出現磁飽和。
與電容串聯的電阻的作用是為了防止占空比突然變化形成LC的震蕩,因此加這個電阻進行緩解。
(七)自舉逆變圖
下面是一個實際的自舉逆變圖,供參考。

MOSFET管柵極檢測方法
1.準備工作測量之前,先把人體對地短路后,才能摸觸MOSFET的管腳。最好在手腕上接一條導線與大地連通,使人體與大地保持等電位。再把管腳分開,然后拆掉導線。
2.判定電極將萬用表撥于R×100檔,首先確定柵極。若某腳與其它腳的電阻都是無窮大,證明此腳就是柵極G。交換表筆重測量,S-D之間的電阻值應為幾百歐至幾千歐,其中阻值較小的那一次,黑表筆接的為D極,紅表筆接的是S極。日本生產的3SK系列產品,S極與管殼接通,據此很容易確定S極。
電子管柵極的檢測:
1.以額定電壓點亮燈絲并預熱數十秒。
2.萬用表置于Rx100檔,以黑表筆接觸柵極,紅表筆接觸陰極。如果出現一個穩定的示數,則證明電子管基本是正常的。相同條件下同新管測得的數值進行比較可以大致得出管子的老化程度。
烜芯微專業制造二極管,三極管,MOS管,橋堆20年,工廠直銷省20%,1500家電路電器生產企業選用,專業的工程師幫您穩定好每一批產品,如果您有遇到什么需要幫助解決的,可以點擊右邊的工程師,或者點擊銷售經理給您精準的報價以及產品介紹
烜芯微專業制造二極管,三極管,MOS管,橋堆20年,工廠直銷省20%,1500家電路電器生產企業選用,專業的工程師幫您穩定好每一批產品,如果您有遇到什么需要幫助解決的,可以點擊右邊的工程師,或者點擊銷售經理給您精準的報價以及產品介紹

